公司產品
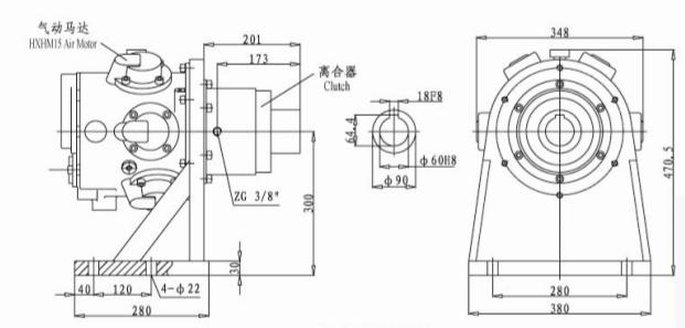
大活塞妖精视频网站下载馬達HXHM15-T
大活塞妖精视频网站下载馬達HXHM15-T

1、產品介紹
大活塞馬達具有功率大,扭矩大、使用壽命長等特點。通過裝備在各種重載設備上,例如絞車、提升機、采礦業等,通過配備減速機,可以達到幾千牛的拉力,且能夠長時間運轉,不用過多維護。
2、技術參數
型號 | 工作數據 | ||||
轉速 | 功率 | 扭矩 | 耗氣量 | ||
rpm | hp | kw | Nm | L.min | |
HXHM15 | 750 | 10 | 7.5 | 90 | 5096 |

3、產品特點及應用
特點:
1)安裝靈活,可瞬間轉向
2)啟動轉矩高
3)可負載運載
4)支持裝備的設備廣泛
應用:廣泛應用於油田、礦山、船舶、工程機械、內燃機等行業,長期為中船重工以及海洋石油工程等公司提供技術支持與產品服務。
4、服務
1)24小時在線解答
2)免費選型
3)支持多樣化定製
4)支持妖精视频网站下载馬達替換電機服務
5)一年質保
上一條: HAC02氣路手控開關
下一條: 固定型升降妖精视频网站下载攪拌機








